老九品茶楼凤楼论坛官网51论坛一品楼,一品楼ypl免费论坛,一品楼品楼论坛,51风流平台现在叫什么名字51一品茶楼论坛
您好,欢迎光临汉良轻钢别墅官方网!
网站地图
收藏本站
联系我们
全国咨询热线
13510637224
首页
关于我们
企业文化
加入我们
销售网络
户型大全
20-29万户型
30-39万户型
40-60万户型
移动民宿
新闻动态
行业新闻
企业新闻
施工案例
全球施工案例
荣誉资质
在线留言
联系我们
户型大全
PRODUCT
20-29万户型
30-39万户型
40-60万户型
移动民宿
户型大全
移动民宿HLYDMS-04
移动民宿HLYDMS-03
移动民宿HLYDMS-02
移动民宿HLYDMS-01
新闻动态
轻钢别墅出口市场现状与前景分析
中东皇室成员、黎巴嫩华商会主席到访睿婕轻钢别墅工厂,共商非洲项目开发新蓝图
睿婕轻钢别墅项目发美国严格按ASTM A653生产,并取得ICC-ES认证!
2026年睿婕菲律宾马尼拉轻钢别墅项目第二批20套启动建设
轻钢别墅出口厂家有哪些靠谱的?
主页
>
户型大全
>
20-29万户型
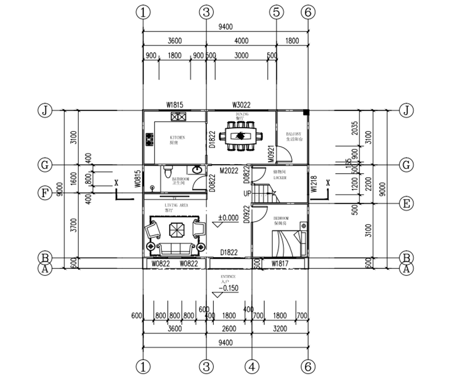
睿婕轻钢别墅(现代风HL-01)
江西汉良房屋科技有限公司,睿婕现代风格轻钢别墅,占地面积80平方,总建筑面积160平方,小户型更受欢迎。...
造价:
26.8
万
(交付:外精内毛)
联系电话:
13510637224
联系客服
在线留言
产品详情
占地面积:
80平方
建筑面积:
160平方
面宽:
9.4m
进深:
9m
功能布局:
5房2厅2卫1厨
施工周期:
30天
江西汉良房屋科技有限公司,睿婕现代风格轻钢别墅,占地面积80平方,总建筑面积160平方,小户型更受欢迎。
施工案例
柬埔寨双拼别墅200栋案例
睿婕外蒙古轻钢别墅案例
睿婕柬埔寨轻钢酒店案例
睿婕菲律宾轻钢别墅项目
波黑轻钢别墅施工案例
广东韶关轻钢别墅施工案例
辽宁锦州轻钢别墅案例
山东枣庄轻钢别墅案例
安徽安庆轻钢别墅案例
云南保山轻钢别墅案例
友情链接:
rfid固定资产管理系统
轻钢别墅厂家
SQL语句转换工具
国际物流公司
rfid智能仓储管理系统
吊钩式抛丸机
童年回忆
深圳防腐木
T91合金钢管
富宁办公室装修
美国公司记账报税
快拼箱
汉良轻钢别墅全球品牌
电话:13510637224
地址:江西省萍乡市湘东区荷尧镇荷尧工业园
在线留言
关于我们
企业文化
加入我们
销售网络
户型大全
20-29万户型
30-39万户型
40-60万户型
移动民宿
新闻动态
行业新闻
企业新闻
施工案例
全球施工案例
荣誉资质
在线留言
联系我们
扫一扫 关注我们
Copyright ? 2002-2023 汉良轻钢别墅 备案号:
赣ICP备2023004803号
在线客服
联系电话
全国免费咨询热线
13510637224
· 专业的设计咨询
· 精准的解决方案
· 灵活的价格调整
· 1对1贴心服务
在线留言
回到顶部